Protection de moteurs
Les moteurs
Le moteur est une machine électrique qui transforme l'énergie électrique en énergie mécanique avec une efficacité typique de 98%. Un moteur électrique est alimenté par une source CA ou CC. L'énergie mécanique générée par le moteur peut être utilisé pour actioner différents types d'équipements tels que les pompes, les compresseurs, les ventilateurs, etc.
La puissance d'un moteur est mesurée en HP ou kW. Selon sa puissance, le moteur est classifié comme petite, moyenne, grande ou extra-grande puissance.
Schémas de protection
La protection de moteurs peut varier selon la puissance et l'application. Voici quelques schémas de protection:
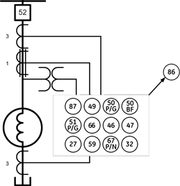
Protection différentielle à deux ensembles de TC pour les gros moteurs
87S | Protection différentielle | ![]() |
49 | Surcharge thermique | |
49RTD | Surcharge thermique avec RTD | |
49S | Surcharge thermique au stator | |
38 | Surcharge thermique au roulement | |
51R | Blocage mécanique | |
50P/G | Surintensité instantané de courant | |
51P/G | Surintensité temporisée de courant | |
50BF | Défaillance disjoncteur | |
66 | Démarrages per heure | |
46 | Déséquilibre des courants de phase | |
47 | Tension inverse | |
27P | Sous-tension | |
59P/N | Surtension | |
67P/N | Courant de phase directionnelle | |
32 | Puissance directionnelle | |
81U | Sous-fréquence | |
81O | Sur-fréquence | |
86 | Relais de blocage |
Les relais UR-M60 et 869 sont recommandés pour cette type d'application.
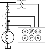
Protection différentielle à un ensemble de TC pour les gros moteurs
87S | Protection différentielle | ![]() |
49 | Surcharge thermique | |
49RTD | Surcharge thermique avec RTD | |
49S | Surcharge thermique au stator | |
38 | Surcharge thermique au roulement | |
51R | Blocage mécanique | |
50P/G | Surintensité instantané de courant | |
51P/G | Surintensité temporisée de courant | |
50BF | Défaillance disjoncteur | |
66 | Démarrages per heure | |
46 | Déséquilibre des courants de phase | |
47 | Tension inverse | |
27P | Sous-tension | |
59P/N | Surtension | |
14 | Vitesse variable | |
55 | Facteur de puissance | |
86 | Relais de blocage |
Les relais UR-M60 et 869 sont recommandés pour ce type d'application.
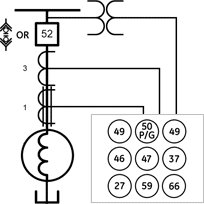
Protection pour les moteurs de grande et de moyenne puissance
49 | Surcharge thermique | ![]() |
49RTD | Surcharge thermique avec RTD | |
49S | Surcharge thermique au stator | |
38 | Surcharge thermique au roulement | |
51R | Blocage mécanique | |
50P/G | Surintensité instantané de courant | |
51P/G | Surintensité temporisée de courant | |
66 | Démarrages per heure | |
46 | Déséquilibre des courants de phase | |
47 | Tension inverse | |
27P | Sous-tension | |
59P/N | Surtension | |
37 | Sous-courant |
Le relais 869 est recommandé pour ce type d'application.
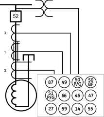
Protection pour les moteurs de moyenne puissance
49 | Surcharge thermique | ![]() |
49RTD | Surcharge thermique avec RTD | |
49S | Surcharge thermique au stator | |
38 | Surcharge thermique au roulement | |
51R | Blocage mécanique | |
50P/G | Surintensité instantané de courant | |
51P/G | Surintensité temporisée de courant | |
66 | Démarrages per heure | |
46 | Déséquilibre des courants de phase | |
37 | Sous-courant |
Les relais 369 et 339 sont recommandés pour ce type d'application.
Protection pour les moteurs de petite puissance
49 | Surcharge thermique | ![]() |
49RTD | Surcharge thermique avec RTD | |
49S | Surcharge thermique au stator | |
38 | Surcharge thermique au roulement | |
51R | Blocage mécanique | |
50P/G | Surintensité instantané de courant | |
51P/G | Surintensité temporisée de courant | |
66 | Démarrages per heure | |
46 | Déséquilibre des courants de phase | |
37 | Sous-courant | |
27P | Sous-tension |
Les relais 339 et MM300 sont recommandés pour ce type d'application.