 |
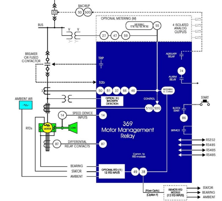
Conçu pour les moteurs de taille moyenne, le système de protection de moteur 369 offre le diagnostic avancé de l’état du moteur, des diagnostics graphiques et complets des défauts, la configuration simple en six étapes, la traçabilité complète des modifications des paramètres de configuration. Il permet aux installations industrielles de maximiser le rendement nominal du moteur. |