 |
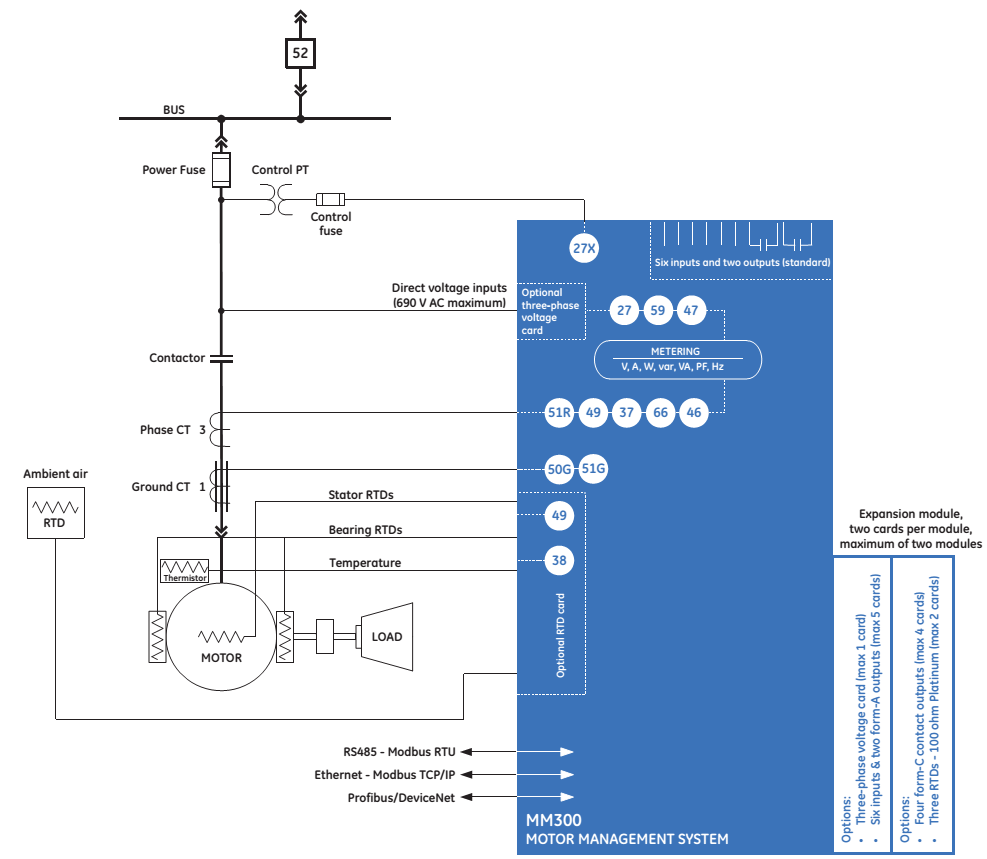
Le MM300 intègre une protection améliorée du moteur, l'automatisation et contrôle, la communication et le diagnostic en un seul dispositif flexible et robuste pour les moteurs à basse tension. Conçu pour être monté dans le CCM, le MM300 combine la protection d’un relais et la fonctionnalité d’un automate dans une petite plate-forme modulaire. |